MOS管-MOS管短路保護電路以及短路保護電路原理圖匯總-KIA MOS管
信息來源:本站 日期:2018-07-19
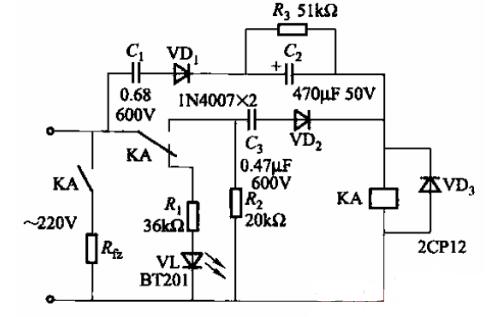
交流電源電壓正常時,繼電器吸合,接通負載(Rfz)回路。當負載發生短路故障時,KA兩端電壓迅速下降,KA釋放,切斷負載回路。同時,發光二極管VL點亮,指示電路發生短路。
這是一個自鎖的保護電路,短路時:Q3極被拉低,Q2導通,形成自鎖,迫使Q3截止,Q3截至后面負載沒有電壓,這時有沒有負載已經沒有關系了,所以即使拿掉負載也不會有輸出。要想拿掉負載后恢復輸出,可以在Q3得CE結上接一個電阻,取1K左右。
C2和c3很重要,在自鎖后,重啟電路就靠這兩個電容,否則啟動失敗。原理是上電時,電容兩端電壓不能突變,C2使得Q2基極在上電瞬間保持高電平,使得Q2不導通。C3則使得上電瞬間Q3基極保持低電平,使得Q3導通Vout有電壓。這樣R5位高電平,鎖住導通。
由于電網自身原因或電源輸入接線不可靠,開關電源有時會出現缺相運行的情況,且掉相運行不易被及時發現。當電源處于缺相運行時,整流橋某一臂無電流,而其它臂會嚴重過流造成損壞,同時使逆變器工作出現異常,因此必須對缺相進行保護。檢測電網缺相通常采用電流互感器或電子缺相檢測電路。由于電流互感器檢測成本高、體積大,故開關電源中一般采用電子缺相保護電路。圖5是一個簡單的電子缺相保護電路。三相平衡時,R1~R3結點H電位很低,光耦合輸出近似為零電平。當缺相時,H點電位抬高,光耦輸出高電平,經比較器進行比較,輸出低電平,封鎖驅動信號。比較器的基準可調,以便調節缺相動作閾值。該缺相保護適用于三相四線制,而不適用于三相三線制。電路稍加變動,亦可用高電平封鎖PWM信號。

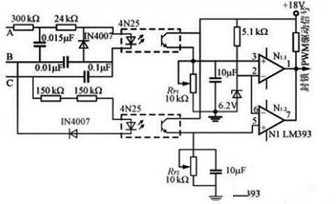
圖是一種用于三相三線制電源缺相保護電路,A、B、C缺任何一相,光耦器輸出電平低于比較器的反相輸入端的基準電壓,比較器輸出低電平,封鎖PWM驅動信號,關閉電源。比較器輸入極性稍加變動,亦可用高電平封鎖PWM信號。這種缺相保護電路采用光耦隔離強電,安全可靠,RP1、RP2用于調節缺相保護動作閾值。
在某些直流/直流轉換器中,芯片上的逐周期限流措施在短路期間可能不足以防止故障發生。一個非同步升壓轉換器可通過電感器和箝位二極管來提供一條從輸入端到短路處的直接通路。當負載存在短路時,不管集成電路中限流保護功能如何,流過負載通路的極大電流可能會損壞箝位二極管、電感器和集成電路。在一個 SEPIC(單端初級電感變換器)電路中,耦合電容會中斷這條道路。因此,當負載存在短路時,也就不存在電流從輸入端流到輸出端的直接通路。但是,如果所要求的最短導通時間比專用負載周期還短,則電感器電流和開關電流就會迅速增大,造成集成電路故障、輸入端過載,或兩種情況兼而有之。甚至在某些降壓穩壓器中,負載周期的種種限制有時也會使開關導通時間過長,以致無法在輸出短路時保持控制,特別是在極高頻率集成電路的輸入電壓非常高的時候。使用單個晶體管方法,可以在負載過載或短路致使電感電流開始失控時,將 VC 腳(誤差放大器的輸出端)電壓下拉,這樣就可以防止 SEPIC 電路發生短路故障。

高可靠性短路保護電路的實現電路如圖1所示,其中VMP是線性穩壓器的功率MOS管,R1、R2為穩壓器的反饋電阻;VMO和VMP管是電流鏡電路,VMOS管以一定的比例復制功率管的電流,通過電阻R4轉化為檢測電壓;晶體管VM1完成電平移位功能,最后接入由VM8~VM12等MOS管組成的比較器的正輸入端(Vinp),比較器的負輸入端(Vinm)與輸出端(0UT)相連;VM13、VM14組成二極管連接形式為負載的共源級放大電路;VM14和VMp1構成電流鏡電路;晶體管VMp1完成對功率管VMP的開關控制,正常工作時,VMp1的柵級電位(Vcon)為高電平,不會影響系統的正常工作,短路發生時,Vcon將為低電平,使功率管關斷。
當短路發生時,比較器的負輸入端電位(Vinm)為0 V;同時VM1管將導通,因此比較器的正輸入端電位大于0 V,最終比較器的輸出節點電位(Vcom)為高電平,在MOS管VM13、VM14作用下,控制信號Vcon將為低電平,最終VMP管的柵極電壓將升高,進而關斷P功率管,實現短路保護。實現短路保護后,VM1管將關斷;VM3和VM4組成電流鏡,晶體管VM2的作用是保證電路在短路期間(VM1管關斷),比較器正輸入端的電壓始終高于比較器的負輸入端電壓(即使系統存在地平面噪聲),從而使Vcon電壓始終為低電平,確保電路在短路發生期間始終都能關斷P功率管,實現保護電路的高可靠性。同時當短路發生時(即Vcon信號為低電平),VM7管正常工作,VM5管將導通,有一定的電流流向0UT端;因此一旦短路消除(即0UT端接有負載電阻),VM5管將對負載電容和負載電阻組成的并聯RC網絡充電,0UT端電壓升高,Vcon信號將變為高電平,電路自動恢復正常狀態。
聯系方式:鄒先生
聯系電話:0755-83888366-8022
手機:18123972950
QQ:2880195519
聯系地址:深圳市福田區車公廟天安數碼城天吉大廈CD座5C1
請搜微信公眾號:“KIA半導體”或掃一掃下圖“關注”官方微信公眾號
請“關注”官方微信公眾號:提供 MOS管 技術幫助

