插件MOS管型號大全與封裝尺寸圖-原廠供應插件MOS管-KIA MOS管
信息來源:本站 日期:2018-12-21
mos管是金屬(metal)—氧化物(oxide)—半導體(semiconductor)場效應晶體管,或者稱是金屬—絕緣體(insulator)—半導體。MOS管的source和drain是可以對調的,他們都是在P型backgate中形成的N型區。在多數情況下,這個兩個區是一樣的,即使兩端對調也不會影響器件的性能。這樣的器件被認為是對稱的。
MOSFET芯片在制作完成之后,需要給MOSFET芯片加上一個外殼,即MOS管封裝。MOSFET芯片的外殼具有支撐、保護、冷卻的作用,同時還為芯片提供電氣連接和隔離,以便MOSFET器件與其它元件構成完整的電路。按照安裝在PCB 方式來區分,MOS管封裝主要有兩大類:插入式(Through Hole)和表面貼裝式(Surface Mount)。插入式就是MOSFET的管腳穿過PCB的安裝孔焊接在PCB 上。表面貼裝則是MOSFET的管腳及散熱法蘭焊接在PCB表面的焊盤上。
KIA半導體插件MOS管封裝如下:
1、TO-262

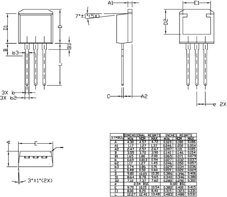
2、TO-220

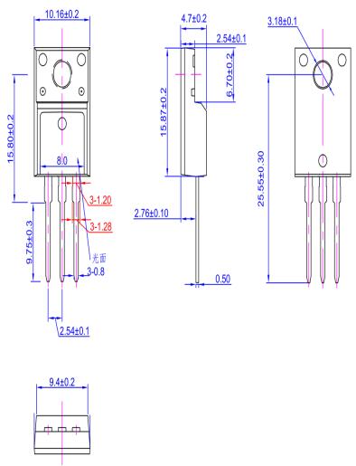
3、TO-247


4、TO-220F

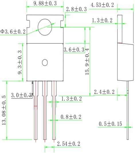
5、TO-3P

KIA半導體MOS管封裝是與上市公司天水華天微封裝廠合作。我們從設計研發到制造再到倉儲物流,KIA半導體真正實現了一體化的服務鏈,真正做到了服務細節全到位的品牌內涵,我們致力于成為場效應管(MOSFET)功率器件領域的領跑者,為了這個目標,KIA半導體正在持續創新,永不止步!
注:這里只列出部分型號,需咨詢更多,請聯系我們,將竭誠為您服務!
插件MOS管-TO-262
插件MOS管-TO-220
插件MOS管-TO-247
插件MOS管-TO-220F
插件MOS管-TO-3P
聯系方式:鄒先生
聯系電話:0755-83888366-8022
手機:18123972950
QQ:2880195519
聯系地址:深圳市福田區車公廟天安數碼城天吉大廈CD座5C1
請搜微信公眾號:“KIA半導體”或掃一掃下圖“關注”官方微信公眾號
請“關注”官方微信公眾號:提供 MOS管 技術幫助